| 當前位置:首頁->技術分享 |
|
| 基于CS3815EO的音頻功率放大電路 |
|
|
| 文章來源:永阜康科技 更新時間:2021/3/30 15:35:00 |
在線咨詢: |
| |
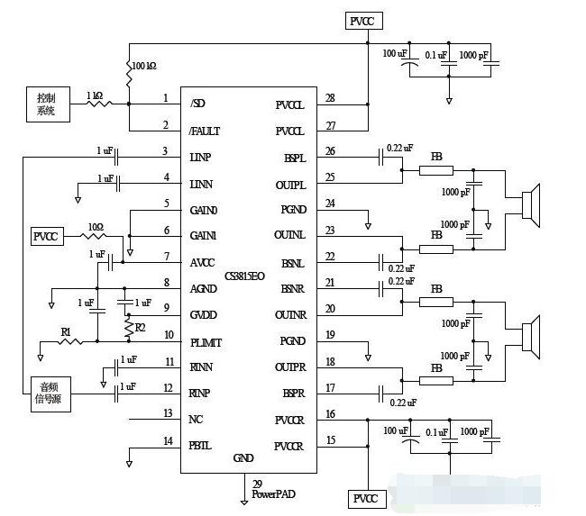
| CS3815EO是一款15W(每聲道)立體聲高效D類音頻功率放大電路。它采用先進的EMI抑制技術使得在輸出端口采用廉價的鐵氧體磁珠濾波器就可以滿足EMC要求。其內部包括一個功率可調限制器和直流檢測電路來對揚聲器進行保護。功率可調限制器允許用戶設定一個比電源電壓低的虛擬電壓來限制流過揚聲器的總電流,直流檢測電路在輸入電容損壞或者輸入短路時關斷輸出級。電路具有高達90%的效率,使得在播放音樂時不需要額外的散熱器。CS3815EO應用于LCD電視、消費類音頻設備。
CS3815EO典型應用電路
1、單端輸入,BTL輸出

2、單端輸入,PBTL輸出

|
| |
|
|
|
|
|
| |
| |
| |
 |
您可能對以下產品感興趣 |
 |
|
 |
| 產品型號 |
功能介紹 |
兼容型號 |
封裝形式 |
工作電壓 |
備注 |
| HT368 |
2×20W (VDD=14.5V, RL=4Ω, THD+N=1%) 或2×25W (VDD=14.5V, RL=4Ω, THD+N=10%) |
TPA3110/TPA3138/TPA3136/AD52068 |
TSSOP-28 |
4.5V-16V |
免電感濾波2*20W D類立體聲音頻功放 |
| CS3815EO |
2X15W/16V/8Ω或30W/16V/4Ω |
TPA3110/TPA3110D2/EUA2110 |
HSSOP-28 |
8V-26V |
具有揚聲器保護的無濾波器的15W立體聲D類音頻功率放大器 |
|
| |
|
| |
|
|